funk:messtechnik:sparameterresistiv:spara_resist_02.gif
spara_resist_02.gif
- Datum:
- 2025/01/03 11:36
- Dateiname:
- spara_resist_02.gif
- Format:
- GIF
- Größe:
- 10KB
- Breite:
- 561
- Höhe:
- 377
- Verwendung von:
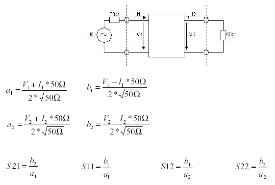
- S-Parameter-Rechnung bei ohmschen Lasten
Diese Liste ist möglicherweise nicht vollständig. Versteckte und durch ACL gesperrte Seiten werden nicht angezeigt.
